京環發〔2019〕22號
各區生態環境局、北京經濟技術開發區環保局,局機關各處室、直屬各有關單位:
為規範實施行政處罰裁量基準制度,實現裁量基準統一、裁量模式統一、公示文本統一,根據生態環境部《關於進一步規範適用環境行政處罰自由裁量權的指導意見》(環執法〔2019〕42號)和市司法局《關於落實2019年行政執法監督工作重點任務的通知》要求,結合本市環境行政執法工作實際,市生態環境局制定《北京市生態環境系統行政處罰自由裁量基準》(以下簡稱《基準》),現予以印發,請遵照執行。
一、本《基準》所列行政處罰事項,對應已公佈的行政處罰權力清單,其中罰款裁量幅度僅作為對違法行為處以罰款時適用的檔次。
二、本《基準》根據法律、法規和規章的立、改、廢情況,與行政處罰權力清單同步實行動態調整。執行中遇到的情況和問題,及時向市生態環境局反映。
三、本《基準》自2019年10月15日起施行。現行的《北京市生態環境局行政處罰自由裁量基準(試行)》(京環發〔2019〕2號)同時廢止。
特此通知。
北京市生態環境局
2019年9月30日
北京市生態環境系統行政處罰自由裁量基準
為進一步規範環境行政處罰自由裁量權,提高生態環境系統依法行政的能力和水準,有效預防執法腐敗,根據生態環境部《關於進一步規範適用環境行政處罰自由裁量權的指導意見》(環執法〔2019〕42號)和原市政府法制辦《關於規範實施行政處罰裁量基準制度的若干指導意見》(京政法制發〔2015〕16號)等規定,結合本市環境行政執法工作常用的處罰職權制定本基準。
一、基本原則和要求
規範和行使行政處罰自由裁量權時,必須基於有利於環境監管目的,遵循合法合理、公平公正、過罰相當、處罰與教育相結合、便於適用的原則。
行政處罰自由裁量應當根據法律目的,全面考慮、衡量違法事實、性質、情節及社會危害程度等相關因素,排除不相關因素的干擾。明確對違法事實、性質、情節及社會危害程度等因素基本相同的同類行政違法行為,所適用的法律、法規、規章依據,酌情決定對違法行為人是否處罰、處罰種類和處罰幅度的許可權,實現情節相當的同類案件所適用的法規依據、處罰種類和幅度基本相同的要求。
二、行使自由裁量權的特殊情形
(一)可以從重處罰的情形
1.兩年內因同類環境違法行為被處罰3次(含3次)以上的;
2.重污染天氣預警期間超標排放大氣污染物的;
3.在案件查處中對執法人員進行威脅、辱罵、毆打、恐嚇或者打擊報復的;
4.環境違法行為造成跨行政區域環境污染的;
5.環境違法行為引起不良社會反響的;
6.其他具有從重情節的。
(二)應當從輕或者減輕處罰的情形
1.主動消除或者減輕環境違法行為危害後果的;
2.受他人脅迫有環境違法行為的;
3.配合生態環境部門查處環境違法行為有立功表現的;
4.其他依法從輕或者減輕行政處罰的。
(三)可以免予處罰的情形
1.違法行為(如“未批先建”)未造成環境污染後果,且企業自行實施關停或者實施停止建設、停止生産等措施的;
2.違法行為持續時間短、污染小(如“超標排放水污染物不超過2小時,且超標倍數小于0.1倍、日污水排放量小于0.1噸的”;又如“不規範貯存危險廢物時間不超過24小時、數量小于0.01噸,且未污染外環境的”)且當日完成整改的;
3.其他違法行為輕微並及時糾正,沒有造成危害後果的。
三、行政處罰自由裁量權基準表
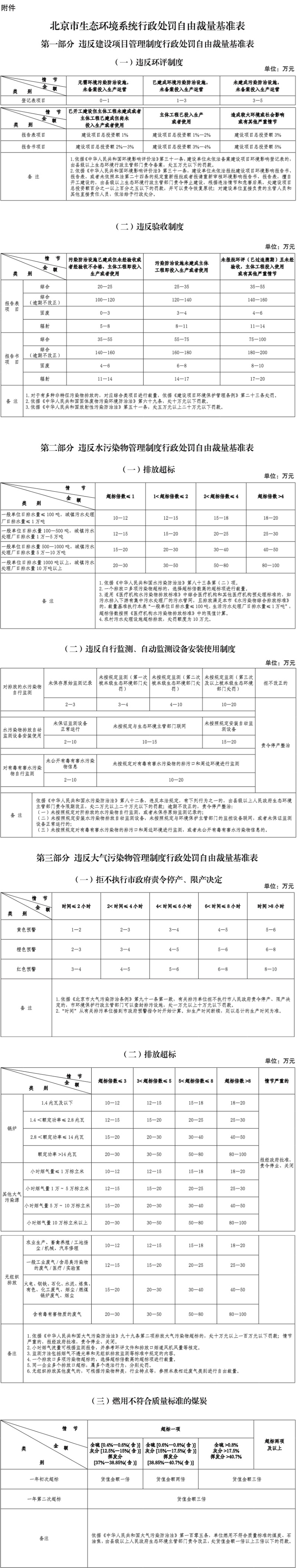
根據建設項目的環評類別、污染物的性質和排放情況、違法行為對環境的影響等違法情節,對行為人違反建設項目管理制度、水污染物管理制度、大氣污染物管理制度、放射性污染防治制度、固體(危險)廢物污染防治制度等同類常見環境違法行為,依據相關環保法規設定的行政處罰種類和幅度,分別制定了行政處罰自由裁量基準(詳見附件環境行政處罰自由裁量基準表)。
四、按日連續處罰裁量規則
《中華人民共和國環境保護法》第五十九條規定:企業事業單位和其他生産經營者違法排放污染物,受到罰款處罰,被責令改正,拒不改正的,依法作出處罰決定的行政機關可以自責令改正之日的次日起,按照原處罰數額按日連續處罰。
前款規定的罰款處罰,依照有關法律法規按照防治污染設施的運作成本、違法行為造成的直接損失或者違法所得等因素確定的規定執行。
地方性法規可以根據環境保護的實際需要,增加第一款規定的按日連續處罰的違法行為的種類。
《中華人民共和國大氣污染防治法》第一百二十三條規定,企業事業單位和其他生産經營者有下列行為之一,受到罰款處罰,被責令改正,拒不改正的,依法作出處罰決定的行政機關可以自責令改正之日的次日起,按照原處罰數額按日連續處罰:
1.未依法取得排污許可證排放大氣污染物的;
2.超過大氣污染物排放標準或者超過重點大氣污染物排放總量控制指標排放大氣污染物的;
3.通過逃避監管的方式排放大氣污染物的;
4.建築施工或者貯存易産生揚塵的物料未採取有效措施防治揚塵污染的。
《環境保護主管部門實施按日連續處罰辦法》第五條規定:排污者有下列行為之一,受到罰款處罰,被責令改正,拒不改正的,依法作出罰款處罰決定的生態環境部門可以實施按日連續處罰:
1.超過國家或者地方規定的污染物排放標準,或者超過重點污染物排放總量控制指標排放污染物的;
2.通過暗管、滲井、滲坑、灌注或者篡改、偽造監測數據,或者不正常運作防治污染設施等逃避監管的方式排放污染物的;
3.排放法律、法規規定禁止排放的污染物的;
4.違法傾倒危險廢物的;
5.其他違法排放污染物行為。
生態環境主管部門檢查發現排污者違法排放污染物的,應當進行調查取證,並依法作出行政處罰決定。
按日連續處罰決定應當在前款規定的行政處罰決定之後作出。
特殊情形:
污染物超標排放,有下列情形之一的可以不予按日連續處罰:
1.對無法採取停産、限産措施的民生項目,在治理改造期間污染物排放再次超標的;
2.污染物超標種類總數較前次減少50%(含本數)以上,再次超標污染物超標倍數較前次下降50%(含本數)以上或者新增超標污染物超標倍數不超過0.5倍的;
3.前次超標污染物均已達標,且新增超標污染物超標倍數不超過0.5倍(含本數)的;
4.超標污染物超標倍數低於0.1倍(含本數)的。
生態環境部門復測時,監測因子應當涵蓋前次監測因子。
五、有關適用問題的規定
1.生態環境執法部門的案件調查、處理人員,在《案件終結移送審查表》《案件呈批表》中提出初步處理意見或擬處理意見時應寫明自由裁量依據。
2.本基準列舉了對本市常見環境行政違法行為的處罰裁量權,未列入基準的環境行政違法行為,參照已經規範的自由裁量權的方法,通過橫向比較進行自由裁量。
3.對違法情節特別嚴重的環境違法行為,經局長辦公會等會議集體討論決定,可以在法律法規規定的範圍內和本規範規定的幅度上提高處罰檔次。
4.有關人員因不遵守本自由裁量權基準,導致作出的相應行政處罰決定經行政復議、行政訴訟途徑被確認違法或者撤銷的,將依據有關規定追究相應責任。
附件:北京市生態環境系統行政處罰自由裁量基準表





